位于旧金山多洛雷斯公园上的一个与公共花园接壤的陡峭场地上,这个明显的小房子(只有1800平方英尺)尽可能有效地建立在这个陡峭的地段上。
Located above San Francisco’s Dolores Park on a steep site bordering a public garden, the decidedly small house, (only 1800 square feet) builds on this steep lot as efficiently as possible.



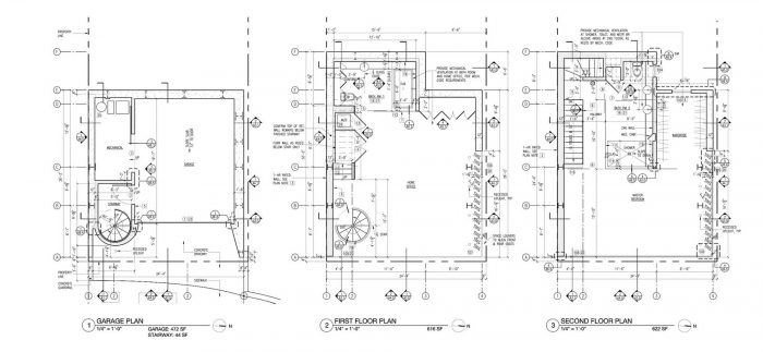
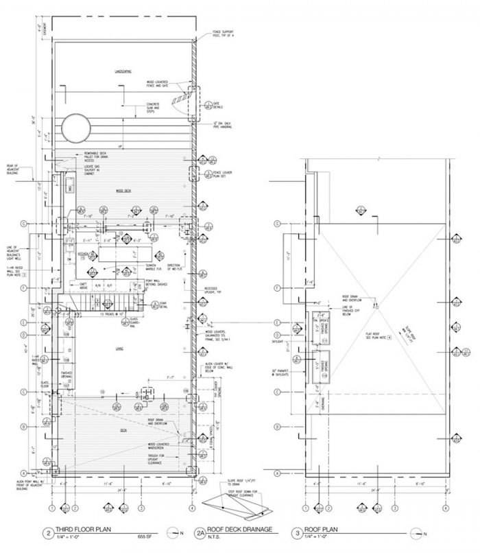
彼得的房子没有采用在山坡上交错打地基的典型建筑做法,而是在最低层设置了一个24英尺×24英尺的现浇混凝土车库,并在上面建造了一个3层的玻璃塔,对土地和原生山坡的排水系统改动很小。
Rather than the typical construction practice of locating foundations staggered up the hillside, Peter’s house locates a 24 ft. x 24 ft. cast-in-place concrete garage at the lowest level and builds a 3-story glass tower above it, altering the land and native hillside drainage very little.

最上面的生活层从地块顶部的平坦台地像桥梁一样横跨到塔楼上,基本上将这种类型的建筑通常涉及的挖掘量减少了2/3。
The top living floor then spans from a flat plateau at top of the lot to the tower like a bridge, essentially reducing the amount of excavation typically involved in construction of this type by 2/3.

除了结构上的挑战,设计彼得的房子的最大问题是将建筑向广阔的视野开放,同时保持与旁边的人行道和花园有一定程度的隐私。
Beyond the structural challenges, the biggest issue in designing Peter’s house was opening the building to the expansive view while maintaining a level of privacy from the sidewalk and garden that pass alongside.

在设计房子的时候,金门大桥的新匝道正在建设中,这就需要从普雷西迪奥清理出一片蒙特里柏树林。 我们获得了其中的一些树木,并与当地的一家铣削店合作,将它们变成了90个实木百叶窗(外部固定/内部可操作),以调节开放度和隐私。
Around the time the house was being designed, the new on-ramp to the Golden Gate Bridge was under construction which necessitated clearing a grove of Monterey Cypress trees in it’s path from the Presidio. We secured some of these trees and working with a local milling shop turned them into 90 solid wood louvers (fixed on the exterior/operable on the interior) that regulate openness and privacy.




















Architects: Craig Steely Architecture
Area : 1900 ft²
Year : 2013
Photographs :Bruce Damonte
City:SAN FRANCISCO
Country:UNITED STATES